【產品介紹】
飛虹65R190,N溝道 Cool-MOS管,主要應用于開關電源。其他MOS管品牌替代型號:IPA60R280CFD7 等。
【產品特點】
FHP65R190A/FHF65R190A,內阻低,開關損耗少。
【產品參數】
|
Model |
Polarity |
Package |
PIN |
Vgs(±V) |
VTH(V) |
ID(A) |
BVdss(V) |
Rdson[Ω](max) |
|
型號 |
極性 |
封裝形式 |
腳位排列 |
Vgs=10V |
||||
|
65R190 |
N |
TO-220/TO-3P |
GDS |
30 |
2-4 |
20 |
650 |
0.19 |
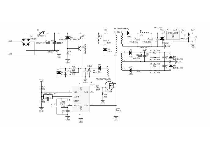
【應用舉例】

【產品優勢】
可靠性高,一致性好
返回頂部
400-831-6077
在線留言